Product Summary
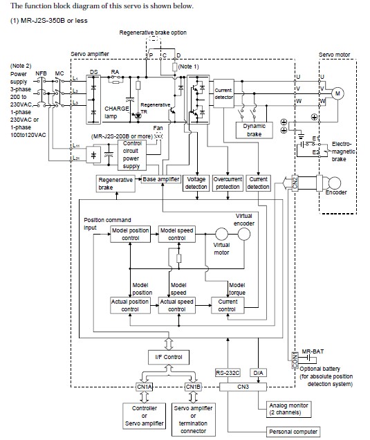
The Mitsubishi MR-J2S-40B general-purpose AC servo has further higher performance and higher functions. It is connected with a servo system controller or similar device via a serial bus (SSCNET) and the servo amplifier reads position data directly to perform operation. The MR-J2S-40B servo motor is equipped with an absolute position encoder which has the resolution of 131072 pulses/rev to ensure more accurate control as compared to the MELSERVO-J2 series.
Parametrics
Specifications: (1)Voltage/frequency for Power supply: 3-phase 200 to 230VAC, 50/60Hz or 1-phase 230VAC, 50/60Hz; (2)Permissible voltage fluctuation for Power supply: 3-phase 200 to 230VAC:170 to 253VAC, 1-phase 230VAC: 207 to 253VAC; (3)Permissible frequency fluctuation for Power supply: Within 5%; (4)Power supply capacity for Power supply: Refer to Section 11.2; (5)Inrush current for Power supply: Refer to Section 11.5; (6)Control system: Sine-wave PWM control, current control system; (7)Dynamic brake: Built-in.
Features
Features: (1)higher performance and higher functions; (2)equipped with an absolute position encoder ; (3)with a servo system controller or similar device.
Diagrams

(China (Mainland))






