Product Summary
The HMMC-3122 is a DC-12 GHz packaged high efficiency divide-by-2 prescaler. It is a packaged GaAs HBT MMIC prescaler which offers DC to 12 GHz frequency translation for use in communications and EW systems incorporating high–frequency PLL oscillator circuits and signal–path down conversion applications. The prescaler provides a large input power sensitivity window and low phase noise.
Parametrics
HMMC-3122 absolute maximum ratings: (1)bias supply voltage: 7V; (2)bias supply voltage: -7V; (3)Logic threshold voltage: VCC-1.5 to VCC-1.2V; (4)Backside operating temperature: -40 to 85℃; (5)storage temperature: -65 to 165℃; (6)maximum assembly temperature: 310℃.
Features
HMMC-3122 features: (1)Pout : 0 dBm (0.5 Vp-p); (2)Low Phase Noise: -153 dBc/Hz @ 100 kHz Offset; (3)(+) or (-) Single Supply Bias Operation; (4)Wide Bias Supply Range: 4.5 to 6.5 volt operating range.
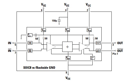
Diagrams

(China (Mainland))






